Need Support?
Please provide your question. We’ll find you with the best support options.
staging
⬇️ Scroll Down Now or Contact ISK for More Bearing Information
Table of Contents
(1) TA Series
(2) HK Series
(3) HF Series
(4) NK Series
(5) NA Series
(6) KT Series
(7) CF Series
Roller bearings are a common type of bearing that use rollers as rolling elements instead of balls. These rollers can be cylindrical, tapered, or conical, and the specific type of bearing depends on the shape and structure of these rollers. Roller bearings are typically used in applications that require handling high axial and radial loads, as they have a larger contact area and can distribute larger loads.
Tapered roller bearings, a type of separable bearing manufacture, are designed to handle primarily radial combined with axial loads. The bearing's load-carrying capacity depends on the outer ring's angle of the raceway, with a larger angle resulting in greater load capacity. The larger the angle between the outer raceway and the bearing's centerline, the greater the ability to withstand the ratio of axial and radial loads.
Go into Prosucts Page: Tapered Roller Bearings
.jpg)
Tapered Roller Bearings Size Chart
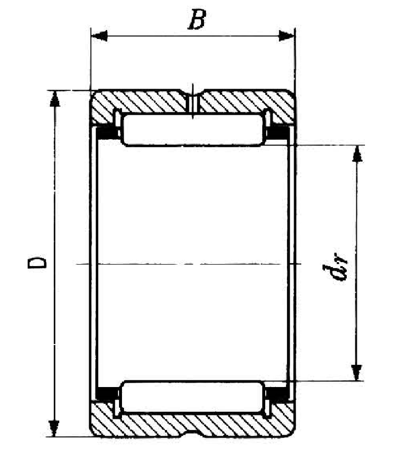
TA needle roller bearings are a type of radial bearing with a small cross-sectional height. They are suitable for applications with limited radial space and moderate axial loads.
Go into Prosucts Page: TA SeriesHK needle roller bearings are a type of drawn cup bearing with a thin outer wall. They are designed to handle radial loads and provide excellent support for radial forces. The closed-end design protects the rolling elements from contamination.
Go into Prosucts Page: HK Series
HF needle roller bearings are one-way clutch bearings that allow free rotation in one direction while locking the rotation in the opposite direction. They are often used in applications where a unidirectional motion is necessary, such as in overrun clutches.
Go into Prosucts Page: HF Series
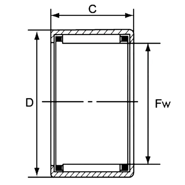
NK needle roller bearings are non-separable bearings capable of carrying high radial loads. They have a high load-carrying capacity and are suitable for applications with limited space.
Go into Prosucts Page: NK Series
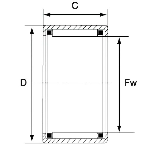
NA needle roller bearings are similar to NK bearings but come with an inner ring. This makes them suitable for applications requiring precise shaft mounting and improved running accuracy.
Go into Prosucts Page: NA Series
KT needle roller and cage assemblies consist of a cage with needle rollers, suitable for applications with high rotational speeds and moderate radial loads. These bearings provide excellent performance in limited space.
Go into Prosucts Page: KT Series
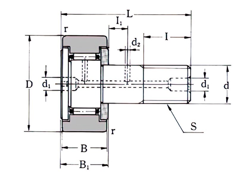
CF needle roller bearings are cam followers with a stud-type design, enabling them to follow cam lobe profiles accurately. They are commonly used in various motion transmission applications, including conveyor systems and cam mechanisms.
Go into Prosucts Page: CF Series
Understanding the various types of roller bearings and their applications is crucial for selecting the right bearing for specific tasks. Each type of roller bearing has its unique advantages, making it suitable for different load conditions and environments. When choosing a roller bearing, it's essential to consider factors like load type, speed, precision requirements, and environmental conditions. Consulting with experienced mechanical engineers or bearing specialists can provide valuable insights and ensure optimal bearing selection for your machinery and equipment.
Extended reading:
The Ball Bearing Size Chart|ISK BEARING
Miniature Ball Bearings: A Comprehensive Chart for Ball Bearings
Please provide your question. We’ll find you with the best support options.