Need Support?
Please provide your question. We’ll find you with the best support options.
staging
⬇️ Scroll Down Now or Contact ISK for More Bearing Information
Table of Contents
Rod end bearings, also known as heim joints or rose joints, are essential mechanical components used in various applications to provide rotational and oscillating movement between two linked components. They play a crucial role in transferring motion and load in different industrial and automotive systems, offering high precision and efficiency in challenging environments.
A rod end bearing consists of a spherical plain bearing and an eye-shaped body with an integral shank. The spherical plain bearing, typically made of stainless steel or other high-performance materials, is a self-aligning bearing that allows angular misalignment between the shank and the bore. The bearing is often composed of an inner ring with a spherical convex outside diameter and an outer ring with a matching concave inside diameter.
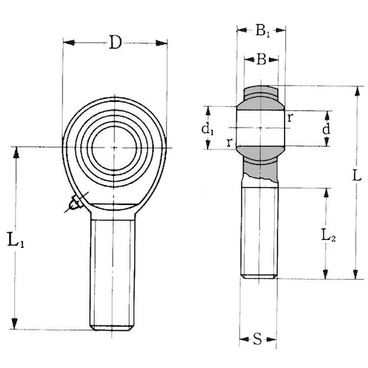
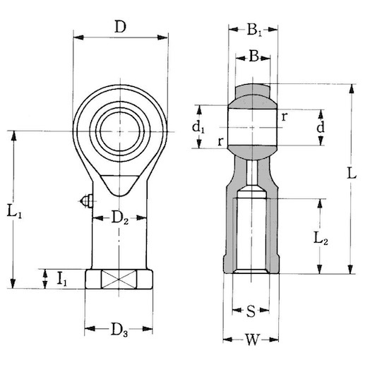
The shank of the rod end is threaded, which facilitates easy mounting and adjustment. The opposite end of the shank has a hole or a ball socket, where a bolt or another linkage element can be attached, connecting the rod end to the desired mechanical component.
There are various types of rod end bearings available, each designed to suit specific applications and load capacities.
This model features a male-threaded shank and is used when the rod end needs to be threaded into a component.
POS is a product composed of a steel inner ring and a bronze outer ring spherical sliding bearing. Its characteristics include excellent self-lubrication performance and wear resistance, and it can rotate and oscillate at any angle. It also has features such as shock resistance, corrosion resistance, and abrasion resistance, making it a high-value product.
With a female-threaded bore, this model is suitable for applications where a bolt or a stud is inserted into the rod end.
PHS is a type of bearing with a unique structure. Its inner and outer rings are made of high-carbon chromium bearing steel, which undergoes processes such as quenching, grinding, and coating. The PHS bearing consists of a steel ball as the sphere, which contacts a housing with a spherical bore, providing support and guidance.
Spherical Plain bearings consist of an inner ring with a convex spherical outer diameter and an outer ring with a corresponding concave spherical inner diameter surface.
Spherical plain bearings (joint bearings) are designed for slow motion applications and can adapt to misalignment and reciprocating swing conditions. Its carrying capacity is very high and it is easy to install.
RBH bearings are high-quality bearings made of high-carbon chromium bearing steel, undergoing processes such as quenching, grinding, and coating. The design of their inner and outer rings is optimized, and precision manufacturing ensures high accuracy and parallelism. Advanced coating technology is applied to enhance hardness and wear resistance.
Equipped with self-lubricating materials, these bearings eliminate the need for frequent maintenance, making them suitable for applications in hard-to-reach or harsh environments.
Rod end bearings find applications in a wide range of industries due to their versatility and ability to handle complex motion requirements.
Rod end bearings are used in suspension systems, allowing controlled movement and articulation of control arms, sway bars, and tie rods.
In the aerospace industry, rod end bearings are utilized in control systems for aircraft ailerons, elevators, and rudders, where precision and reliability are critical.
Rod end bearings are employed in various industrial machinery, such as robotic arms, packaging machines, and conveyor systems, to facilitate smooth and precise motion.
They are used in power generation equipment like wind turbines, allowing the adjustment of blade angles and pitch control mechanisms.
Rod end bearings are found in marine equipment like boat steering systems and sail control systems.
In high-performance vehicles and racing cars, rod end bearings are used in suspension linkages and other dynamic components.
In conclusion, rod end bearings are indispensable components in various mechanical systems, enabling smooth rotational and oscillating movements. Their ability to handle misalignment and various loads makes them versatile and widely used across industries. When selecting a rod end bearing for a specific application, it is essential to consider factors such as load capacity, misalignment requirements, and environmental conditions to ensure optimal performance and longevity.
Extended reading:
Rod End Bearings: The Key to Connecting Mechanical Motions
Introduction to Rod End Bearings: Structure, Applications, and Common Models
Please provide your question. We’ll find you with the best support options.